
设计特点
气动塑料球阀重量轻、耐腐蚀性强,被应用于多个领域,如一般纯水和生饮水的管路系统、排水和污水管路系统、盐水和海水管路系统、酸碱和化学溶液系统等多个行业,品质得到广大用户的认可。
外型结构紧凑美观
本体重量轻容易安装
耐腐蚀性强,应用范围广
材质卫生无毒、耐磨损、容易拆卸,维护简单易行
|
公称通径 |
DN15~100 |
|
连接方式 |
内螺纹、法兰、粘接、由令 |
|
气缸选配 |
JRP系列、JRS系列、JRG系列及进口执行器系列 |
|
气缸形式 |
双作用、单作用(弹簧复位) |
|
控制方式 |
二位切断(开关型)、调节型、三段式(开度可?。?/span> |
|
公称压力 |
10bar |
|
气源压力 |
双作用:4~8Bar,单作用:5~8Bar |
|
介质温度 |
-30~90℃ |
|
环境温度 |
-20~80℃ |
|
阀体材质 |
UPVC,RPP,CPVC,PVDF |
|
密封材质 |
聚四氟乙稀 |
|
O型圈材质 |
VITON,EPDM |
备注:其它特殊密封或特殊温度的可根据客户要求设计先型
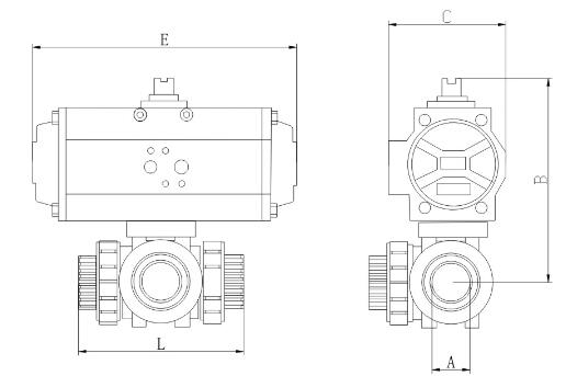
外形尺寸(单位:mm)
附件选型及用处
|
电磁换向阀 |
双作用选二位五能、单作用二位三通、单电控双电控订货时注明,电磁换向阀起到换气做用 |
|
限位开关 |
远程反馈开关信号 |
|
手操机构 |
可实现手动开、关阀门 |
|
定位器 |
输入模拟量信号(4-20mA或者0-10V),调节阀门开度大小 |
|
气源处理三联件 |
对气源进行稳压、过滤、气缸润滑 |
|
备注 |
以上附件不是标准配件,如需配置请订货时候注明,电磁换向阀和限位开关有分防爆和不防爆,如需防爆还要注明防爆等级 |
选型表
上一篇:BV6-法兰式衬氟气动球阀
下一篇:3BV2-三通法兰式气动球阀